
一、特點用途
氣動馬達此款產品本廠按標準值增長了馬達氣缸。氣動馬達是把壓縮空氣的壓力能轉換為機械能裝置,氣動馬達應用在攪拌設備、食品藥物包裝、卷揚機、粉碎機、研磨機、卷撓裝置及自動生產線等設備上.
二、技術參數
|
型 號
|
減 速 比 |
輸出功 率 |
額定 轉速 |
額定 扭矩 |
耗 氣 |
額定氣壓 |
外形尺寸 |
重量 |
|
kw |
r.p.m |
n.m |
m3/hr |
MPa |
mm |
kg |
||
|
5V |
1:1 |
1.10 |
3000 |
4.20 |
73 |
0.70 |
113*132 |
5.30 |
以上數據為標準狀態下的參考參數,以現場使用狀態為準。
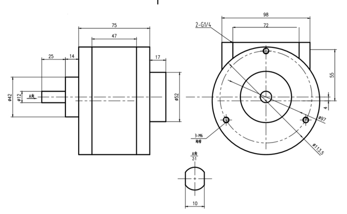
三、聯翔5V氣動馬達實物、安裝尺寸圖:



寧海縣聯翔氣動機械廠
地址: 寧海縣躍龍模具城
網址:http://www.m.cqalibaba.com
聯系人:葉永輝 微信:18358269996
電話:0574-65338001 18358269996
上一條:抱歉暫無數據
下一條:葉片減速氣動馬達(1VA)